132
污水排入城镇下水道水质标准
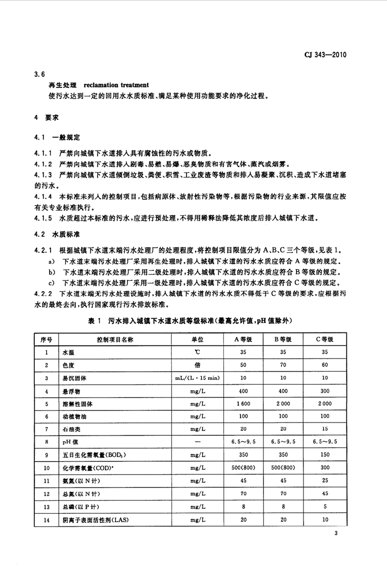
最新《污水排入城镇下水道水质标准》(GB/T 31962-2015)已于2016年8月1日实施。为了便于准确的理解和查找,广东威特雅整理了最新《GB/T 31962-2015 污水排入城镇下水道水质标准》全文献给大家!





办公时间
8:30 AM–6:00 PM
周一 至 周六
联系我们
联系人:衡林-总经理
移动电话:1379-8878-761
联系人:龚总-营销副总
移动电话:139-8079-3348
服务热线:0769-85038001
电子邮箱:info@wteya.com
官网地址:www.wteya.com
公司地址:
广东省东莞市南城区天安数码城F区F4栋14楼
生产基地:
湖北省荆门市京山经济开发区威特雅环保科技园
上一篇
海水淡化反渗透系统运行管理规范
下一篇
反渗透水处理设备规范
与众多优质客户建立长期合作关系
合作客户
免费获取报价