132
纺织废水膜法处理与回用技术规范
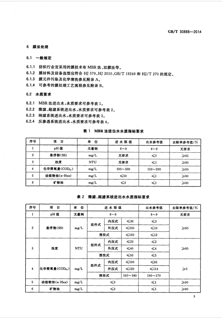
纺织废水膜法处理与回用技术规范GB/T 30888-2014标准规定了纺织废水膜法处理的术语和定义、工艺选择原则、预处理、膜法处理及回用要求。本标准适用于采用废水膜法处理与回用技术的纺织企业,可作为企业废水达标排放、回用于生产的技术依据。本标准所指膜分离方法包括膜生物(MBR)法、微滤、超滤、纳滤及反渗透膜处理方法。





办公时间
8:30 AM–6:00 PM
周一 至 周六
联系我们
联系人:衡林-总经理
移动电话:1379-8878-761
联系人:龚总-营销副总
移动电话:139-8079-3348
服务热线:0769-85038001
电子邮箱:info@wteya.com
官网地址:www.wteya.com
公司地址:
广东省东莞市南城区天安数码城F区F4栋14楼
生产基地:
湖北省荆门市京山经济开发区威特雅环保科技园
上一篇
海水淡化反渗透系统运行管理规范
下一篇
海水淡化反渗透系统运行管理规范
与众多优质客户建立长期合作关系
合作客户
免费获取报价