132
畜禽养殖业污染物排放标准
为贯彻《中华人民共和国环境保护法》、《中华人民共和国水污染防治法》和《中华人民共和国大气污染防治法》,控制畜禽养殖业产生的废水、废渣和恶臭对环境的污染,促进养殖业生产工艺和技术进步,维护生态平衡,制定本标准。
本标准适用于集约化、规模化的畜禽养殖场和养殖区,不适用于畜禽散养户。根据养殖规模,分阶段逐步控制,鼓励种养结合和生态养殖,逐步实现全国养殖业的合理布局。
根据畜禽养殖业污染物排放的特点,本标准规定的污染物控制项目包括生化指标、卫生学指标和感观指标等。为推动畜禽养殖业污染物的减量化、无害化和资源化,本标准规定了废水、恶臭排放标准和废渣无害化环境标准。
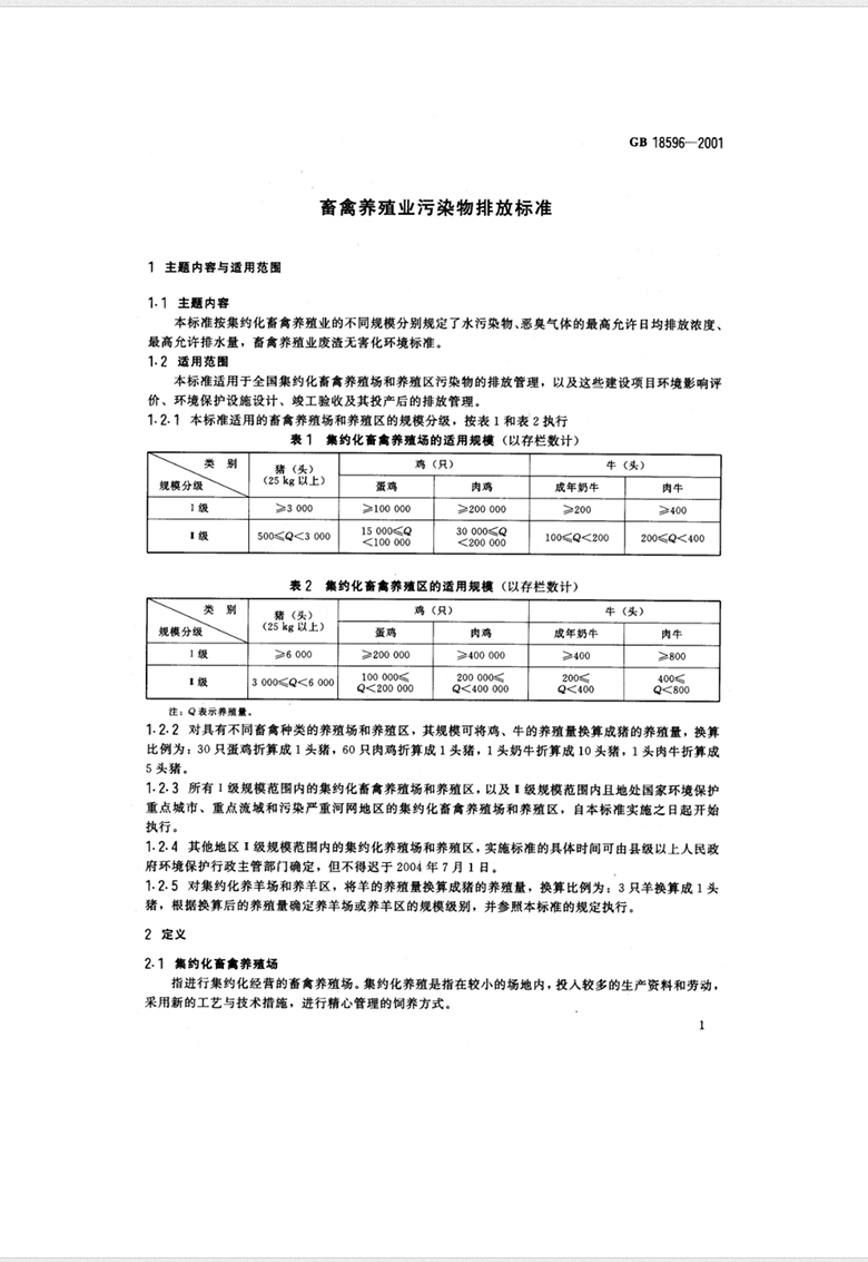
本标准按集约化畜禽养殖业的不同规模分别规定了水污染物、恶臭气体的最高允许日均排放浓度、最高允许排水量,畜禽养殖业废渣无害化环境标准。





办公时间
8:30 AM–6:00 PM
周一 至 周六
联系我们
联系人:衡林-总经理
移动电话:1379-8878-761
联系人:龚总-营销副总
移动电话:139-8079-3348
服务热线:0769-85038001
电子邮箱:info@wteya.com
官网地址:www.wteya.com
公司地址:
广东省东莞市南城区天安数码城F区F4栋14楼
生产基地:
湖北省荆门市京山经济开发区威特雅环保科技园
上一篇
海水淡化反渗透系统运行管理规范
下一篇
反渗透水处理设备
与众多优质客户建立长期合作关系
合作客户
免费获取报价